D43H手柄法蘭式金屬硬密封蝶閥采用精密的J形彈性密封圈和三偏心多層次金屬硬密封結構,法蘭式蝶閥被廣泛用于介質溫度≤425℃的治金、電力、石油化工、以及給排水和市政建設等工業管道上,作調節流量和載斷流體使用。
二、特點
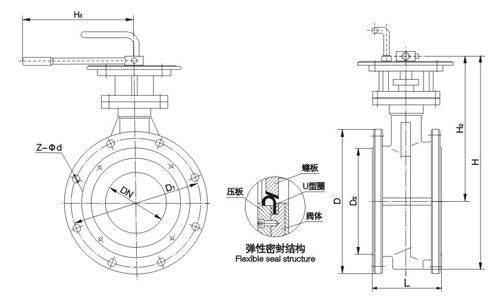
1、采用三偏心密封結構,閥座與蝶板幾乎無磨損,具有越觀越緊的密封功能
2、蝶閥密封圈選用不銹鋼制作,具有金屬硬密封和彈性密封的雙重優點,無論在低溫和高溫的情況下,均具有優良的密封性能,具有耐腐蝕,使用壽命長等特點
3、蝶板密封面采用堆焊鈷基硬質合金,密封面耐磨損,使用壽命長
4、大規格蝶板采用絎架結構,強度高,過流面積大,流阻小
5、金屬硬密封蝶閥具有雙向密封功能,安裝時不受介質流向的限制,也不受空間位置的影響,可在任何方向安裝
6、手柄蝶閥驅動裝置可以多工位(旋轉90°或180°)安裝,便于用戶使用。
三、型號意義
D:蝶閥4:法蘭式3:多層次三偏心H:金屬硬密封
D43H-10,D43H-16,D43H-25;(閥體材質:鑄鐵/球墨鑄鐵)
D43H-10C,D43H-16C,D43H-25C;(閥體材質C:鑄鋼/碳鋼)
D43H-10P,D43H-16P,D43H-25P; (閥體材質P:不銹鋼304/304L)
D43H-10R,D43H-16R,D43H-25R,(閥體材質R:不銹鋼316/316L)
四、性能參數
型號 |
D343H-10 D343H-16 D343H-25 D343H-40 |
D343H-10P D343H-16P D343H-25P D343H-40P |
D343H-10R D343H-16R D343H-25R D343H-40R |
|
工作壓力(MPa) |
1.0~4.0 |
|||
適用溫度(℃) |
≤425 |
≤200 |
||
適用介質 |
水、油或非腐蝕性介質 |
硝酸類介質 |
醋酸類介質 |
|
材料 |
閥體、蝶板 |
WCB |
CF8/304 |
CF3M/316L |
閥桿 |
2Cr13 |
304 |
316L |
|
閥體密封面 |
堆焊 507 |
- |
- |
|
蝶板密封面 |
304+柔性石墨 |
304+PTFE |
304+PTFE |
|
填料 |
柔性石墨 |
PTFE |
PTFE |
|
五、零件材質
名稱 |
材料 |
閥體 |
碳鋼、不銹鋼、鉻鎳鉬鈦鋼、鉻鉬釩鋼 |
閥板 |
碳鋼、不銹鋼、鉻鎳鉬鈦鋼、鉻鉬釩鋼 |
閥桿 |
2Cr13、不修鋼、鉻鎳鉬鈦鋼 |
密封圈 |
不銹鋼、氟塑料、聚丙脂 |
填料 |
氟塑料、柔性石墨 |
六、外形連接尺寸

公稱通徑 DN |
結構長度L |
外形尺寸(參考值) |
連接(標準值) |
參考 重量 |
||||||||||
H |
Dt343H |
PN0.6MPa |
PN1.0MPa |
|||||||||||
mm |
inch |
短 |
長 |
H1 |
A1 |
B1 |
D |
D1 |
z- d |
D |
D1 |
z- d |
||
50 |
2 |
108 |
150 |
112 |
350 |
180 |
200 |
140 |
110 |
4-14 |
165 |
125 |
4-18 |
17 |
65 |
5/2 |
112 |
170 |
115 |
370 |
180 |
200 |
160 |
130 |
4-14 |
185 |
145 |
4-18 |
20 |
80 |
3 |
114 |
180 |
120 |
380 |
180 |
200 |
190 |
150 |
4-18 |
200 |
160 |
8-18 |
23 |
100 |
4 |
127 |
190 |
138 |
420 |
180 |
200 |
210 |
170 |
4-18 |
220 |
180 |
8-18 |
25 |
125 |
5 |
140 |
200 |
164 |
460 |
180 |
200 |
240 |
200 |
8-18 |
250 |
210 |
8-18 |
40 |
150 |
6 |
140 |
210 |
175 |
555 |
270 |
280 |
165 |
225 |
8-18 |
285 |
240 |
8-22 |
47 |
200 |
8 |
152 |
230 |
208 |
605 |
270 |
280 |
320 |
280 |
8-18 |
340 |
295 |
8-22 |
60 |
250 |
10 |
165 |
250 |
243 |
680 |
270 |
280 |
375 |
335 |
12-18 |
395 |
350 |
12-22 |
95 |
300 |
12 |
178 |
270 |
283 |
800 |
380 |
420 |
440 |
395 |
12-22 |
445 |
400 |
12-22 |
124 |
350 |
14 |
190 |
290 |
310 |
835 |
380 |
420 |
490 |
445 |
12-22 |
505 |
460 |
16-22 |
181 |
400 |
16 |
216 |
310 |
340 |
915 |
450 |
470 |
540 |
495 |
16-22 |
565 |
515 |
16-26 |
260 |
450 |
18 |
222 |
330 |
380 |
960 |
480 |
490 |
595 |
550 |
16-22 |
615 |
565 |
20-26 |
338 |
500 |
20 |
229 |
350 |
410 |
1020 |
480 |
490 |
645 |
600 |
20-22 |
670 |
620 |
20-26 |
360 |
600 |
24 |
267 |
390 |
470 |
1225 |
480 |
660 |
755 |
705 |
20-26 |
780 |
725 |
20-30 |
540 |
700 |
28 |
292 |
430 |
550 |
1355 |
640 |
660 |
860 |
810 |
24-26 |
895 |
840 |
24-30 |
580 |
800 |
32 |
318 |
470 |
640 |
1470 |
640 |
660 |
975 |
920 |
24-30 |
1015 |
950 |
24-33 |
845 |
900 |
36 |
330 |
510 |
710 |
1545 |
750 |
860 |
1075 |
1020 |
24-30 |
1115 |
1050 |
28-33 |
1050 |
1000 |
40 |
410 |
550 |
770 |
1795 |
850 |
860 |
1175 |
1120 |
28-30 |
1230 |
1160 |
28-36 |
1500 |
1200 |
48 |
470 |
630 |
890 |
1965 |
850 |
900 |
1405 |
1340 |
32-33 |
1455 |
1380 |
32-39 |
2000 |