產品概述:
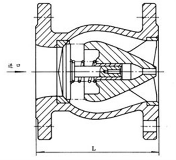
DRVZ、HC42X不銹鋼靜音止回閥主要由閥體、閥座、導流體、閻瓣、軸承及彈簧等主要零件組成,內部流道采用流線型設計壓力損失極小。閥瓣啟閉行程很短停泵時可快速關閉防止巨大的水錘聲具有靜音關閉的特點。該閥主要用于給排水、消防、暖通系統可安裝于水泵出口處以防止倒流及水錘對泵的損害。
主要技術參數:
型號 |
DRVZ-10 |
DRVZ-16 |
DRVZ-25Q |
公稱壓力 |
PN1.0MPa |
PN1.6MPa |
PN2.5MPa |
公稱通徑 |
DN50-350mm |
||
最高工作壓力 |
1.0 MPa |
1.6 MPa |
2.5 MPa |
密封試驗壓力 |
1.0 MPa |
1.6 MPa |
2.5 MPa |
殼體試驗壓力 |
1.5 MPa |
2.4 MPa |
3.75 MPa |
主要零部件材料:
主要零件材料 |
閥體、導流體 |
灰鑄鐵 |
球墨鑄鐵 |
閥座、軸承、閥瓣、軸 |
鋁青銅或銘不銹鋼 |
||
彈簧 |
不銹鋼 |
||
結構圖及主要外形尺寸(法蘭尺寸1.0MPa按GB4216.84標準, PNl.6MPa按GB4216.5-84標準,PN2.5MPa按GB9113.4 88標準):

公稱通徑 |
L |
50 |
120 |
65 |
150 |
80 |
180 |
100 |
229 |
125 |
254 |
150 |
267 |
200 |
292 |
250 |
340 |
300 |
- |
350 |
- |