VQ647H-16C氣動V型球閥概述:
VQ647H-16C氣動V型球閥采用圓柱型彈簧預載的帶補償性可動金屬閥座結構,密封性能可靠。球芯與閥座不會產生卡阻或脫離,使用壽命長。球芯上的V形切口與金屬閥座之間具有剪切作用,特別適用于控制高粘度,含纖維、固體顆粒及漿料等介質。結構制造紙工業的紙漿顯得尤為優越。
V型球閥是球閥的一種,它的關閉件是半球體上開有V字型開口,V型開口具有鋒利的刃口,在球體回轉過程中,關閉件之間有擦拭作用,對介質具有強有力的切斷力,球體的V型開口與閥座流道形成一個扇形區域,在回轉過程中可改變流道截面積,形成對介質的精確調節,它是一種角回轉的調節閥,其密封性能與普通球閥相同,使它同時具備調節和開關兩種功能,與氣動或電動執行器配套,廣泛使用于工業過程自控系統中。
V型球閥使用范圍:
能源、石化、冶金、化工、采礦、造紙、環保、生化、制藥、石油、電力、印染、輕工、食品、煙草、制糖、飲料等各個領域。
VQ647H氣動V型調節球閥產品特點
1、閥體整體式結構:對夾式和法蘭式V型球閥閥體都是整體側裝式結構,結構剛性強,不容易引起變形和外泄。
2、上下自潤滑軸承:閥體內裝有上下自潤滑軸承,與閥桿接觸面積大,承載能力高,磨擦系數小,使閥門的扭矩減少。
3、閥座可根據介質和工況的需要,選金屬硬密封或PTFE軟密封:金屬硬密封閥座密封表面堆焊硬質合金,球 面鍍硬鉻或噴焊、離子氮化等硬化處理,使密封面使用壽命增強,耐溫提高;軟密封PTFE閥座或增強PTFE閥座密封性好 耐腐蝕,適應范圍廣。
4、經濟實用性:閥體重量輕,閥桿扭矩小,配用氣動或電動執行器相應規格小,與其它類型的調節閥相比,性價比高。
5,介質適應范圍廣:由于V型開口與閥座之間的剪切作用力,及閥內腔流道的光滑圓整,使介質不易積存于內腔,所以 它除適合液體介質外,更適合于帶纖維及固體顆料介質的系統控制。
6、小流量精確控制:通過對小口徑閥芯特殊V型開口的加工,可實現小Cv值精確控制。

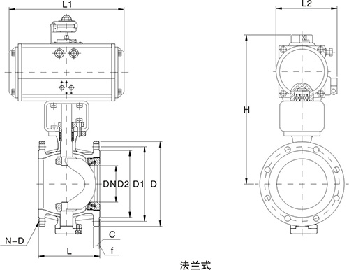
VQ647H氣動V型調節球閥主要外形和連接尺寸
產品型號 |
公稱 |
L |
D |
D1 |
D2 |
b |
PN1.6MPa |
H |
H1 |
W |
WT(kg) |
||||
Z-φd |
VQ347 |
VQ647 |
VQ947 |
VQ347 |
VQ647 |
VQ947 |
|||||||||
VQ347H-16C VQ647H-16C VQ947H-16C |
50 |
124 |
165 |
125 |
100 |
16 |
4-φ18 |
225 |
248 |
365 |
92 |
400 |
11 |
13 |
16 |
65 |
145 |
185 |
145 |
120 |
18 |
4-φ18 |
235 |
255 |
375 |
100 |
400 |
13 |
15 |
18 |
|
80 |
165 |
200 |
160 |
135 |
20 |
8-φ18 |
260 |
270 |
380 |
108 |
400 |
15 |
17 |
20 |
|
100 |
194 |
220 |
180 |
155 |
20 |
8-φ18 |
27 |
278 |
390 |
117 |
400 |
17 |
19 |
23 |
|
125 |
210 |
250 |
210 |
185 |
22 |
8-φ18 |
320 |
335 |
405 |
140 |
455 |
22 |
25 |
28 |
|
150 |
229 |
285 |
240 |
210 |
22 |
8-φ23 |
340 |
358 |
420 |
177 |
455 |
30 |
36 |
40 |
|
200 |
243 |
340 |
295 |
265 |
24 |
8-φ23 |
390 |
405 |
510 |
200 |
700 |
60 |
68 |
75 |
|
250 |
297 |
405 |
355 |
320 |
26 |
12-φ26 |
420 |
449 |
540 |
252 |
700 |
90 |
100 |
110 |
|
300 |
338 |
460 |
410 |
375 |
28 |
12-φ26 |
510 |
550 |
605 |
270 |
700 |
180 |
205 |
207 |
|
VQ647H氣動V型調節球閥主要外形和連接尺寸
產品型號 |
通徑 |
L |
D |
D1 |
D2 |
b |
PN1.6MPa |
H |
H1 |
W |
WT(kg) |
||||
Z-φd |
VQ347 |
VQ647 |
VQ947 |
VQ347 |
VQ647 |
VQ947 |
|||||||||
VQ347H-25 VQ647H-25 VQ947H-25 |
50 |
124 |
165 |
125 |
100 |
20 |
4-φ18 |
225 |
248 |
365 |
92 |
400 |
11 |
13 |
16 |
65 |
145 |
185 |
145 |
120 |
22 |
8-φ18 |
235 |
255 |
375 |
100 |
400 |
13 |
15 |
18 |
|
80 |
165 |
200 |
160 |
135 |
22 |
8-φ18 |
260 |
270 |
380 |
108 |
400 |
15 |
17 |
20 |
|
100 |
194 |
230 |
190 |
160 |
24 |
8-φ23 |
27 |
278 |
390 |
117 |
400 |
18 |
22 |
25 |
|
125 |
210 |
270 |
220 |
188 |
26 |
8-φ26 |
320 |
335 |
405 |
140 |
455 |
23 |
26 |
32 |
|
150 |
229 |
300 |
250 |
218 |
28 |
8-φ23 |
340 |
358 |
420 |
177 |
455 |
40 |
56 |
60 |
|
200 |
243 |
360 |
310 |
278 |
30 |
8-φ23 |
390 |
405 |
510 |
200 |
700 |
62 |
70 |
79 |
|
250 |
297 |
425 |
370 |
332 |
32 |
12-φ26 |
420 |
449 |
540 |
252 |
700 |
93 |
105 |
120 |
|
300 |
338 |
485 |
430 |
390 |
36 |
12-φ26 |
510 |
550 |
605 |
270 |
|||||